24小时联系电话:18217114652、13661815404
中文
行业资讯
数字电路中常见的触发器类型
数字时序 电路中 通常使用三种类型的触发器 :电平触发器,脉冲触发器和边沿触发器。现在让我向您介绍这三个触发因素。
脉冲触发
如上图所示,脉冲触发器由两个相同的电平触发的SR触发器组成,其中左SR触发器成为主触发器,右手侧称为从触发器。 该 电路也称为Master-Slave SR触发器 。脉冲触发的触发方式分为两步:第一步是当CLK = 1时,主触发接收输入端的信号,并设置为对应状态,从触发不动。第二步是当CLK的下降沿到来时,根据主触发器的状态将触发器翻转。因此,Q和Q'的输出状态变化发生在CLK的下降沿。
电平触发
如上图所示,电平触发的逻辑结构图和图形符号图仅在CLK为高电平时才可以接受输入信号,并根据输入信号将触发输出设置为对应的输出。它由一个SR触发器和两个NAND门组成,也称为同步SR触发器。
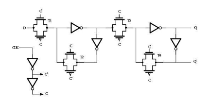
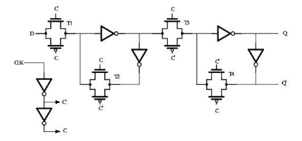
边沿触发
如上图所示,主要在COMOS集成电路中使用的边沿触发电路结构实际上是由两个CMOS传输门组成的电平触发D型触发器。
当CLK = 0时,TG1打开TG2,TG3关闭TG4。
当CLK = 1时,TG1关闭TG2,TG3打开TG4。
边沿触发器 的次级状态 仅取决于时钟信号的上升沿 或下降沿到来时输入的逻辑状态,并且输入信号在此之前或之后的变化不会影响输出状态触发器的
根据逻辑功能的不同特性,时钟控制的触发器通常可以分为SR触发器,JK触发器,T触发器和D触发器。触发器是数字设计中必不可少的时序逻辑单元, 它使电路具有 存储功能 。顺序逻辑电路和组合逻辑电路的结合使数字电路成为无限可能!

